We are PayPal Verified
PayPal is a secure and trusted payment processing service that allows you to shop online. PayPal can be used at mondaykids.com to purchase items by Credit Card (Visa, MasterCard, Discover, and American Express), Debit Card , or E-check (i.e. using your regular Bank Account).
NOTE : we have documents of most of products in our store If you need it , contact us :) |
![]() |
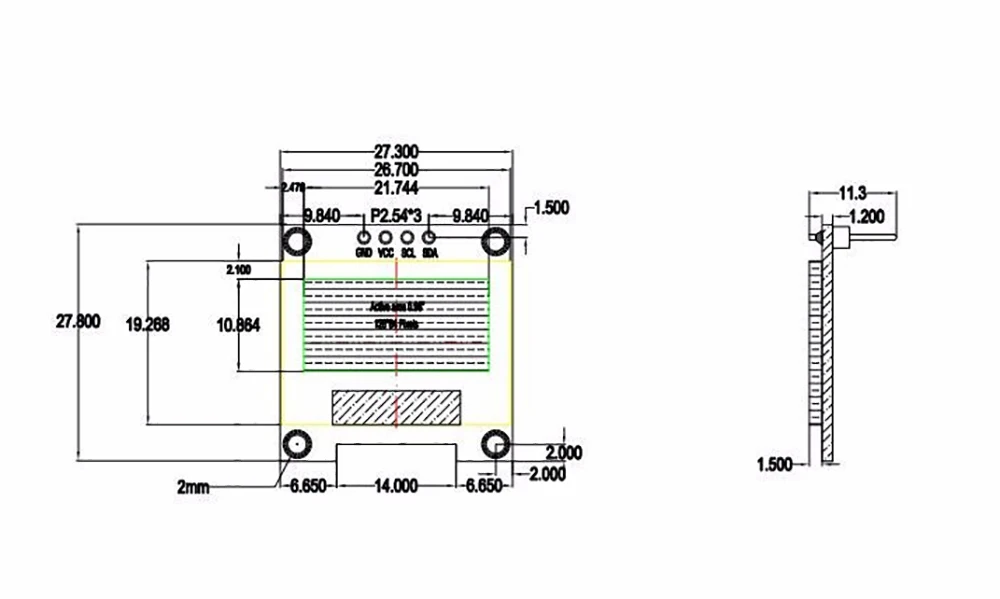
Product Introduction:
1.Color:blue
2.Driving Chip:SSD1306
3.Pin Definition:
!)GND:power ground
2)VCC:power positive (2.8-5.5V)
3)D0:clock wire
4)D1:data wire
5)RES:reset wire
6)DC:data/command
7)CS:chip select
4.Interface Type:SPI,IIC
5.Product Introduction:










