We are PayPal Verified
PayPal is a secure and trusted payment processing service that allows you to shop online. PayPal can be used at mondaykids.com to purchase items by Credit Card (Visa, MasterCard, Discover, and American Express), Debit Card , or E-check (i.e. using your regular Bank Account).
NOTE : we have documents of most of products in our store If you need it , contact us :) | |
|
Applications:
1.LCD TVs
2.Mutimedia Speakers
3.AM/FM System
4.DABs
Pin Assignments: 
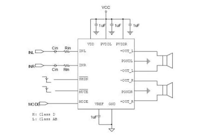
Typical Applications Circuit:

Pin Descriptions:
Functional Block Diagram: 
Absolute Maximum Ratings:(T=25 celsius,unless otherwise specified)
Recommended Operating Conditions:(T=25 celsius,unless otherwise specified)
Thermal Information:







