We are PayPal Verified
PayPal is a secure and trusted payment processing service that allows you to shop online. PayPal can be used at mondaykids.com to purchase items by Credit Card (Visa, MasterCard, Discover, and American Express), Debit Card , or E-check (i.e. using your regular Bank Account).

1>. It is DIY kit. User need to weld it.
2>.It is suitable for beginners
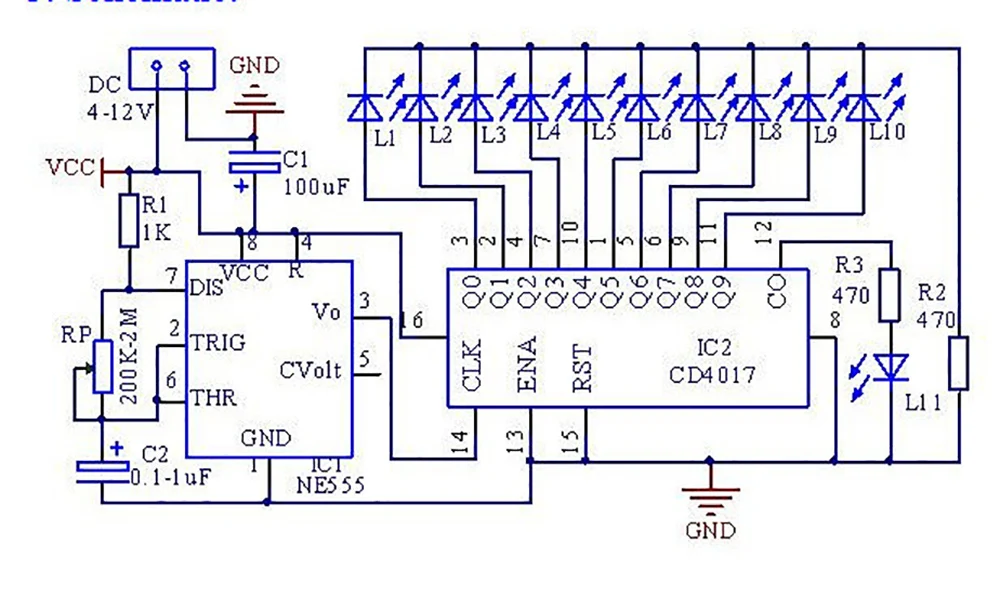
2. Component listing.
Component | Number | Parameter | Quantity |
Resistance | R1 | 1K | 1 |
Resistance | R2,R3 | 470ohm | 2 |
Potentiometer | RP | 200K-2M | 1 |
CD4017 | IC2 | DIP-16 | 1 |
NE555 | IC1 | DIP-8 | 1 |
LED | L1-L11 | 5mm | 11 |
Electrolytic capacitor | C1 | 100uF | 1 |
Electrolytic capacitor | C2 | 0.1-1uF | 1 |
PCB | 1 |
3. Schematic.




