We are PayPal Verified
PayPal is a secure and trusted payment processing service that allows you to shop online. PayPal can be used at mondaykids.com to purchase items by Credit Card (Visa, MasterCard, Discover, and American Express), Debit Card , or E-check (i.e. using your regular Bank Account).
NOTE : we have documents of most of products in our store,if you need it, contact us :) | |
|
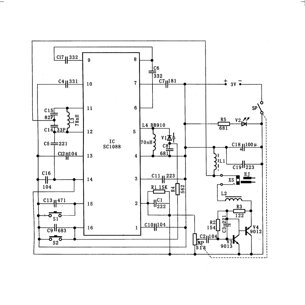
Product Introduction:
1.HX3208 suite adopts electric tunning monolithic FM integration circuit,and tunning is convenient and accurate,has high sensitivity of receiving;small and light,easy to carry
2.Voltage 1.8-3.5V,internal structure has mute circuit to prevent from noise during tunning
3.Adopting low and middle frequency 70KHz technique,saving middle frequency and ceramic filter;the circuit is simple and reliable;modulation is coonvenient.
Component List:
| NO. | Component | Parameter | Package | PCB Silk Screen | QTY |
| 1 | SC1088 | SOP-16 | IC | 1 | |
| 2 | S9014 | SOT-32 | V3 | 1 | |
| 3 | S9012 | SOT-32 | V4 | 1 | |
| 4 | BB910 | V1 | 1 | ||
| 5 | LED | 3mm RED | V2 | 1 | |
| 6 | Magnetic Bead Inductance | 4.7uH | L1 | 1 | |
| 7 | Color Ring Inductance | 4.7uH | L2 | 1 | |
| 8 | Hollow Core Inductance | 78nH 8Round | L3 | 1 | |
| 9 | Hollow Core Inductance | 70nH 5Round | L4 | 1 | |
| 10 | Headset | 32ohm*2 | EJ | 1 | |
| 11 | Resisitor | 15K | SMD | R1 | 1 |
| 12 | Resisitor | 150K | SMD | R2 | 1 |
| 13 | Resisitor | 1.2K | SMD | R3 | 1 |
| 14 | Resisitor | 5.6K | SMD | R4 | 1 |
| 15 | Metal Film Resistor | 680ohm | R5 | 1 | |
| 16 | Potentionmeter | 51K | RP | 1 | |
| 17 | Capacitor | 2.2nf | SMD | C1 | 1 |
| 18 | Capacitor | 0.1uf | SMD | C2 | 1 |
| 19 | Capacitor | 220pf | SMD | C3 | 1 |
| 20 | Capacitor | 0.33nf | SMD | C4 | 1 |
| 21 | Capacitor | 0.22nf | SMD | C5 | 1 |
| 22 | Capacitor | 3.3nf | SMD | C6 | 1 |
| 23 | Capacitor | 180pf | SMD | C7 | 1 |
| 24 | Capacitor | 680pf | SMD | C8 | 1 |
| 25 | Capacitor | 68nf | SMD | C9 | 1 |
| 26 | Capacitor | 0.1uf | SMD | C10 | 1 |
| 27 | Capacitor | 22nf | SMD | C11 | 1 |
| 28 | Capacitor | 0.1uf | SMD | C12 | 1 |
| 29 | Capacitor | 470pf | SMD | C13 | 1 |
| 30 | Capacitor | 33pf | SMD | C14 | 1 |
| 31 | Capacitor | 82pf | SMD | C15 | 1 |
| 32 | Capacitor | 0.1uf | SMD | C16 | 1 |
| 33 | Ceramic Capacitor | 3.3nf | C17 | 1 | |
| 34 | Electrolytic Capacitor | 100uF | C18 | 1 | |
| 35 | Ceramic Capacitor | 22nf | C19 | 1 | |
| 36 | Cable | D0.8*6mm | 2 | ||
| 37 | Box | 1 | |||
| 38 | Potentiometer knob | 2 | |||
| 39 | Button | 2 | |||
| 40 | Battery spring clip | Sets 3pcs | 1 | ||
| 41 | Switch | 6x6mm | S1,S2 | 2 | |
| 42 | Headphone jack | D3.5mm | XS | 1 | |
| 43 | Screew/Nut | Several |
Schematic

Finished Product Picture:






