
Product Introduction:
1.Model:AMM-TE
2.PCB Size:70.6*39mm
3.Display Window Size:51*24mm
4.Operating Voltage:DC 5V
5.Operating Current:35mA
6.Measurement Precision:+/-1mA
7.Measurement Range:0-2A
8.Overrange Display:the first bit displays 1 or -1
9.Display Color:red
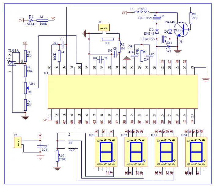
10.Circuit Principle Picture:
Circuit Principle:
AMM-TE ammeter is mainly composed of ICL7107,power circuit,reference voltage source,input circuit and display circuit
1.ICL7107 is a BCD output integral type A/D conversion chip, its internal includes ;linear amplification,analog switch,oscillation,display driving etc.
2.Power circuit is divided into positive power and negative power;positive power is input by J2,C8 filtering;negative is composed of R8,Q1,L1,C6,C7,D2,D3 and ZD1,and generate -5V voltage is input by chip 26th pin
3.Reference voltage source is composed of R1,R2,VR1,R9 and U2;36-pin is reference voltage input pin;adjust VR1 potentiometer to let 36-pin voltage be 100mV
4.Input circuit is composed of J1,R5,R6 and C3.When the current of measured circuit passes through R5,it will generate a voltage on R5;this voltage will be input to chip 31-pin through R6 current limiting and be processed;C3 is input voltage filtering capacitor
5.Display circuit is composed of DS1-DS4,D1,D4;4 digital tubes can be drived directly by the chip,R10 is current limiting resistance of DS1-DS3 digital tubes decimal points
Finished Product Debugging:
1.After connecting with DC 5V (please notice the polarity),the digital tube will display -.000 or .000,this is normal
2.Use multimeter to measure the voltage between chip 36-pin and 35-pin,and adjust VR1 potentiometer let it be 100mV
Key Points Voltage Reference Value:
1.Chip 1-pin and 21-pin voltage 5V
2.Chip 36-pin and 21-pin voltage 100mV
3.Chip 26-pin and 21-pin voltage -5V
Packing List: